Skip to content Skip to sidebar Skip to footer

How To Find Thevenin Equivalent : To find the thevenin equivalent voltage, we put the voltage source back in and find the voltage across the still open spot where we had the resistor.

How To Find Thevenin Equivalent : To find the thevenin equivalent voltage, we put the voltage source back in and find the voltage across the still open spot where we had the resistor.. We'll use node voltage in. We will find the open circuit voltage v oc Vth = thevenin's voltage rth = thevenin's resistance This voltage, as shown in figure 3 (a), is voc. 2) find the voltage across the open circuit which is voc.

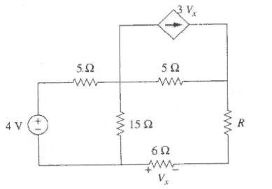
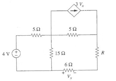
Find the thevenin resistance by removing all voltage sources and load resistor. It is also used in maximum power transfer theorem to find the equivalent resistance of the network. When you leave the load disconnected, v t h = v a b. Here is the example circuit we'll be working with: I understand how to find thevenin equivalents when the are independent sources in the circuit, but once dependent ones are introduced, i get a little nervous.

Thevenin S Theorem Wikipedia
Thevenin S Theorem Wikipedia from upload.wikimedia.org
I found vb = 10v. Find the thevenin voltage by plugging in the voltages. The thevenin equivalent circuit is the electrical equivalent of b 1, r 1, r 3, and b 2 as seen from the two points where our load resistor (r 2) connects. As we know, r th = r no. If the circuit contains you should do resistors and independent sources 1) connect an open circuit between a and b. To find the thevenin equivalent voltage, we put the voltage source back in and find the voltage across the still open spot where we had the resistor. The dependent voltage source 2vx will cause problems finding the thevenin equivalent. The main practical application of thevenin's theorem is to find the variation of voltage and power delivered to a variable load.

In the example above, the equivalent resistor is found to be (15ω*10ω)/ (10ω+15ω) = 6ω.

Thevenin's theorem can be applied to both ac and dc circuits. Another significant reason to learn how to use the circuitlab simulator to find thevenin equivalent circuits is that it can also easily create linearized models of nonlinear circuits, including circuits with transistors, diodes, dependent sources, arbitrary behavioral sources, and more. How to find thevenin's equivalent circuit? Steps to calculate thevenin's equivalent circuit. Thevenin theorem is used in norton's theorem to obtain norton's equivalent circuit. Draw the thevenin equivalent circuit using a single voltage source with a voltage value of eth, and a single series resistance using a resistance value of rth obtained above. After you find the node voltages, you just use the fact that the v2 node is the output of the thevenin equivalent to say vth is equal to v2. I found the open circuit voltage which is equivalent to voltage vb relative to ground by doing the node voltage method. You still need to determine the thevenin resistance. Here is the example circuit we'll be working with: This voltage, as shown in figure 3 (a), is voc. So then leave the 2.5 k resistor in place. Thevenin's theorem states that it is possible.

Dan with uconn hkn presents an example problem explaining the process of solving a thevenin equivalent circuit. This link has more information on trasforming y's and d's: An example let's find the thevenin equivalent of the circuit shown at the beginning of this chapter. Now, find v th by usual circuit analysis. The main practical application of thevenin's theorem is to find the variation of voltage and power delivered to a variable load.

Thevenin Theorem Finding A Thevenin Equivalent Circuitbread
Thevenin Theorem Finding A Thevenin Equivalent Circuitbread from dwma4bz18k1bd.cloudfront.net
Thevenin equivalent circuit will be maximum power transfer. It is also used in maximum power transfer theorem to find the equivalent resistance of the network. Thevenin's theorem can be applied to both ac and dc circuits. When you leave the load disconnected, v t h = v a b. This equivalent circuit can be seen in figure 1 below. 3) deactivate the independent sources. Use the thevenin resistance and voltage to find the current flowing through the load. Determination of open circuit voltage

We'll use node voltage in.

Nullify all power sources (short voltage sources and open current sources) combine impedances using parallel and series reduction combinations. To find the thevenin equivalent voltage, we put the voltage source back in and find the voltage across the still open spot where we had the resistor. That means that all you need to do is find v a and v b with no load. Convert thevenin's equivalent to norton's equivalent circuit. We will find the open circuit voltage v oc Now, find v th by usual circuit analysis. Consider the circuit from slide 4: The current flowing in the circuit is calculated using the formula below: I found vb = 10v. Dan with uconn hkn presents an example problem explaining the process of solving a thevenin equivalent circuit. Let's find the thevenin and norton equivalent circuits for the somewhat complicated circuit shown in fig. Thevenin's theorem can be applied to both ac and dc circuits. V b = ( 3 v + 9 v) 100 ω 150 ω + 150 ω + 100 ω = 3 v.

This voltage, as shown in figure 3 (a), is voc. The thevenin equivalent circuit, if correctly derived, will behave exactly the same as the original circuit formed by b 1, r 1, r 3, and b 2. How to find thevenin's equivalent circuit? Use the thevenin resistance and voltage to find the current flowing through the load. Convert thevenin's equivalent to norton's equivalent circuit.

Thevenin S Theorem Step By Step Procedure Solved Example
Thevenin S Theorem Step By Step Procedure Solved Example from www.electricaltechnology.org
In the example above, the equivalent resistor is found to be (15ω*10ω)/ (10ω+15ω) = 6ω. Thevenin's theorem may be stated below: Draw the thevenin equivalent circuit using a single voltage source with a voltage value of eth, and a single series resistance using a resistance value of rth obtained above. Determination of open circuit voltage The second equation may be a little confusing because with the 4ω resistor gone, and with the assumption that the opamp + input takes no current, there will be no current in the 8ω resistor. Any linear electric network or a complex circuit with current and voltage sources can be replaced by an equivalent circuit containing of a single independent voltage source vth and a series resistance rth. After you find the node voltages, you just use the fact that the v2 node is the output of the thevenin equivalent to say vth is equal to v2. Yes, the thevenin voltage for the voltage divider would be 5 v.

Doing a source transformation reveals a set of parallel resistors.

Thevenin's theorem may be stated below: The output of the voltage dividerformed by z1and z3. The dependent voltage source 2vx will cause problems finding the thevenin equivalent. Thevenin's theorem states that it is possible. And the current will be hence, the power will be Consider the circuit from slide 4: The current flowing in the circuit is calculated using the formula below: To find v th, redraw the circuit to find thevenin equivalent. After you find the node voltages, you just use the fact that the v2 node is the output of the thevenin equivalent to say vth is equal to v2. It is also used in maximum power transfer theorem to find the equivalent resistance of the network. Find the thevenin resistance by removing all voltage sources and load resistor. The thevenin's equivalent circuit consists of a series resistance of 6.67 ω and a voltage source of 13.33 v. This link has more information on trasforming y's and d's: